"ТЕПЛОПИТБЕЛ"
obogrevrb@mail.ru тел. +375 29 383 03 25
Компания ООО "Отопление дома" является правообладателем Торгового знака "ТЕПЛОПИТБЕЛ"
Одним из главных преимуществ покупки электрических радиаторов "Теплопитбел" напрямую у производителя является отсутствие переплат за услуги посредников. Когда вы приобретаете товар через дистрибьюторов или розничные сети, в конечную стоимость закладываются их наценки, расходы на логистику, аренду торговых площадей и маркетинг. Покупая напрямую у "Теплопитбел", вы минуете все эти звенья, что позволяет вам получить высококачественную продукцию по максимально выгодной цене. Это означает, что вы инвестируете свои средства непосредственно в сам продукт, а не в цепочку перекупщиков.

Два датчика температуры – двойной контроль: Радиатор оснащен двумя датчиками температуры: один контролирует температуру воздуха в помещении, а другой – температуру теплоносителя в радиаторе.
Климат-контроль: Задайте желаемую температуру воздуха в диапазоне от +5 до +35°С, и радиатор автоматически будет поддерживать ее, включаясь и выключаясь по мере необходимости.
Интеллектуальный алгоритм работы: Прибор работает по заданному алгоритму, автоматически включаясь и выключаясь при достижении установленных параметров температуры воздуха и теплоносителя. Это обеспечивает стабильную и экономичную работу.
Установочная мощность – это номинальная мощность радиатора.
Теплоотдача электрорадиатора – при нагреве теплоносителя до 70°С (одна секция выделяет 160-180 Вт).

на площадь 8 кв.м.
потребление 0,17 квт/час
вес 8 кг.
Размер 37*58*8,5 см/43*62*10
одна секция рассчитана на 2 кв.м жилого помещения
-роликовая опора приобретается дополнительно-80 рублей комплект
Всем подписчикам Instagram-teplopit.bel предоставляется скидка 5%

на площадь 10 кв.м.
потребление 0,21 квт/час
вес 10 кг.
Размер 37*58*8,5 см/43*62*10
одна секция рассчитана на 2 кв.м жилого помещения
-роликовая опора приобретается дополнительно-80 рублей комплект
Всем подписчикам Instagram-teplopit.bel предоставляется скидка 5%

на площадь 12 кв.м.
потребление 0,22 квт/час
вес 12 кг.
Размер 53*58*8,5 см/60*62*10
одна секция рассчитана на 2 кв.м жилого помещения
-роликовая опора приобретается дополнительно-80 рублей комплект
Всем подписчикам Instagram-teplopit.bel предоставляется скидка 5%

на площадь до 16 кв.м
потребление 0,33 квт/час
вес 16 кг.
Размер 69*58*8,5 см/75*62*10
одна секция рассчитана на 2 кв.м жилого помещения
-роликовая опора приобретается дополнительно-80 рублей комплект
Всем подписчикам Instagram-teplopit.bel предоставляется скидка 5%

на площадь до 20 кв.м
потребление 0,45 квт/час
вес 20 кг.
Размер 85*58*8,5 см/90*62*10
одна секция рассчитана на 2 кв.м жилого помещения
-роликовая опора приобретается дополнительно-80 рублей комплект
Всем подписчикам Instagram-teplopit.bel предоставляется скидка 5%

на площадь 24 кв.м.
потребление 0,55 квт/час
вес 24 кг.
Размер 101*58*8,5см/106*62*10
одна секция рассчитана на 2 кв.м жилого помещения
-роликовая опора приобретается дополнительно-80 рублей комплект
Всем подписчикам Instagram-teplopit.bel предоставляется скидка 5%


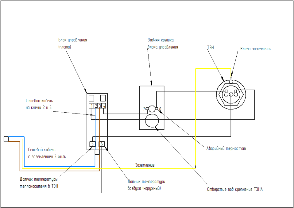
Контроллер-реле температуры
Электронный контроллер-реле температуры с двумя датчиками для систем отопления (читай паспорт- инструкцию).
Современные системы отопления требуют точного и эффективного управления для обеспечения комфортного микроклимата и оптимизации энергопотребления. Одним из ключевых компонентов таких систем являются контроллеры температуры, которые позволяют поддерживать заданные параметры и адаптироваться к изменяющимся условиям. Контроллер-реле температуры с двумя датчиками, предназначенному для управления ТЭНами в различных типах регистрах, батареях отопления.

Цена ТЭНа зависит от мощности
Мощность 500 Вт./4, 5 секций/- 110 рублей
Мощность 650 Вт./5, 6 секций/- 110 рублей
Мощность 910 Вт./8,10 секций/-125 рублей
Мощность 1300 Вт./10,12 секций/-165 рублей
Контроллер-реле температуры (КТ1)
(соответствует требованиям: ТР ТС 004/2011)
Паспорт-инструкция с гарантийным талоном
Электронный контроллер-реле температуры с двумя датчиками для систем отопления
Современные системы отопления требуют точного и эффективного управления для обеспечения комфортного микроклимата и оптимизации энергопотребления. Одним из ключевых компонентов таких систем являются контроллеры температуры, которые позволяют поддерживать заданные параметры и адаптироваться к изменяющимся условиям. Контроллер-реле температуры с двумя датчиками, предназначенному для управления ТЭНами в различных типах радиаторов отопления. Особое внимание будет уделено его функциональным возможностям, техническим характеристикам, принципам работы и особенностям применения.
Электронный контроллер-реле температуры с двумя датчиками представляет собой современное и эффективное решение для автоматизации систем отопления. Его способность управлять ТЭНами с различными типами радиаторов, а также поддерживать заданные температурные режимы воздуха и теплоносителя, делает его универсальным инструментом для обеспечения комфорта и оптимизации энергопотребления.
Наличие двух датчиков, энергонезависимой памяти и возможность интеграции в существующие системы отопления подчеркивают его функциональность и практичность. При соблюдении правил монтажа и эксплуатации, данный контроллер способен обеспечить надежную и долговечную работу, способствуя созданию оптимального микроклимата в помещениях.
1. Назначение и область применения
Контроллер предназначен для использования с различными типами отопительных приборов, включая:
Контроллер может использоваться как в автономном режиме, управляя только ТЭНом, так и в составе более сложных систем отопления, совместно с традиционными батареями, радиаторами и регистрами. Это делает его универсальным решением для широкого спектра задач по обогреву.
2. Технические характеристики и функциональные возможности
Контроллер обладает рядом важных технических характеристик и функциональных возможностей, обеспечивающих его эффективность и удобство использования:
3. Принцип работы
Принцип работы контроллера основан на постоянном мониторинге температуры с помощью двух датчиков и сравнении полученных значений с заданными пользователем параметрами.
4. Особенности эксплуатации и монтажа
Важно отметить, что данный электронный контроллер температуры не является бытовым прибором. Он разработан для продолжительной работы в составе систем отопления и требует соблюдения определенных правил монтажа, подключения и эксплуатации, изложенных в паспорте предприятия-изготовителя. Это подразумевает:
Перед подключением электрического прибора к сети проверьте исправность электрической розетки, вилку и шнур электропроводки на отсутствие нарушений изоляции.
При эксплуатации электроприбора необходимо исключить попадание на его поверхность воды и иных жидкостей, а также веществ, загрязняющих поверхность контроллера.
ЗАПРЕЩАЕТСЯ: Эксплуатация электроприбора без наличия эффективного заземления, выполненного в соответствии с действующим стандартом по безопасности.
ЗАПРЕЩАЕТСЯ: Использование нулевого рабочего провода для заземления корпуса электрического прибора.
ЗАПРЕЩАЕТСЯ: Эксплуатировать контроллер, имеющий механические повреждения, самостоятельно снимать панель управления терморегулятора, производить самостоятельно ремонт электроприбора, самовольно разбирать и изменять конструкцию прибора, использовать прибор с неисправным (поврежденным) шнуром или вилкой, использовать переходники и удлинители.
ЗАПРЕЩАЕТСЯ: Эксплуатировать контроллер в сырых помещениях с влажностью окружающего воздуха более 90%, и в помещениях с пожароопасной/взрывоопасной средой.
ЗАПРЕЩАЕТСЯ: Крепить прибор с использованием клеящих средств и/или связующих составов.
Контроллер не предназначен для использования лицами, включая детей, с пониженными физическими, сенсорными или умственными способностями, или при отсутствии у них жизненного опыта или знаний, если они не находятся под присмотром.
Комплектность
Комплектность регулятора входят: - реле температуры 1 шт. вмонтированное в корпус в комплекте - датчик температуры теплоносителя 1 шт. - датчик температуры наружного воздуха 1 шт. шнур сетевой встроенный в блок, 1 датчик термостат аварийного отключения при перегреве на задней крышке прибора.
Гарантийные обязательства
Изготовитель гарантирует нормальную работу контроллера со дня продажи при обязательном соблюдении покупателем правил транспортировки, хранения, монтажа, подключения и эксплуатации. При отсутствии даты продажи и штампа продавца на паспорте, срок гарантии исчисляется с даты продажи, указанной в чеке.
При приобретении контроллера покупатель обязан провести осмотр товара на целостность прибора отсутствие дефектов, сколов.
К гарантийному случаю не относится:
- механические повреждения электроприбора (трещины на панели, сколы, повреждения корпуса прибора), несоблюдении правил хранения, транспортировки, подключения и эксплуатации;
- технические характеристики электрической сети не соответствуют установленным параметрам;
- отсутствуют документы, подтверждающие квалифицированный подключение и монтаж прибора к внешним источникам потребления электроэнергии.
Установка параметров работы прибора
Изучить перед подключением к внешним источникам питания-способов настройки и изменения технических параметров прибора (смотри на обороте во вкладке).
Характеристики и предназначение:
Наименование и адрес изготовителя : ООО “Отопление дома”, Республика Беларусь, 220073, г. Минск, ул. Скрыганова 6, ком. 7.
Схема подключения Контроллера-реле напряжения к внешнему источнику-ТЭН

В современном мире, где комфорт и энергоэффективность играют ключевую роль, электрические батареи или электрорадиаторы которые становятся все более популярным выбором для отопления жилых и коммерческих помещений. Они предлагают удобство, гибкость и ряд преимуществ по сравнению с традиционными системами. Давайте разберемся, что представляют собой эти устройства, как они работают, где применяются, и как выбрать оптимальный вариант для ваших нужд.
Электрические батареи – это отопительные приборы, которые преобразуют электрическую энергию в тепловую для обогрева помещений. В отличие от водяных радиаторов, которые используют теплоноситель (воду или антифриз), циркулирующий по трубам, электробатареи работают напрямую от электросети.
Принцип действия электробатареи основан на использовании нагревательных элементов. Когда электрический ток проходит через них, они нагреваются и отдают тепло в окружающее пространство. Этот процесс может происходить несколькими способами, в зависимости от типа электробатареи:
Несмотря на разнообразие моделей, большинство электрических батарей имеют схожую конструкцию:
Электрические батареи находят широкое применение в различных сферах:
Как и любое отопительное оборудование, электробатареи имеют свои сильные и слабые стороны.
Плюсы:
Минусы:
Электрические батареи можно классифицировать по нескольким признакам:
По типу нагревательного элемента и принципу действия:
По материалу корпуса:
По наличию дополнительных функций:
Критерии выбора электрической батареи
При выборе электрической батареи следует учитывать следующие факторы:
Особенности электробатарей с климат-контролем и Терморегулятором
Современные электрические батареи оснащаются продвинутыми системами управления, которые значительно повышают их функциональность и эффективность:
Адаптивное управление: Системы климат-контроля могут анализировать скорость остывания помещения и автоматически корректировать время включения нагревательного элемента, чтобы к заданному времени температура была оптимальной.
Расчет необходимой мощности при отоплении
Правильный расчет мощности – залог эффективного и экономичного отопления. Существует несколько подходов:
Пример: Для комнаты площадью 20 м² с нормальной теплоизоляцией потребуется батарея мощностью 20 м² * 100 Вт/м² = 2000 Вт (2 кВт).
Пример: Комната площадью 20 м² с высотой потолков 3 м имеет объем 60 м³. Потребуется батарея мощностью 60 м³ * 40 Вт/м³ = 2400 Вт (2.4 кВт).
Важно: Лучше выбрать батарею с небольшим запасом мощности, чем недостаточной мощности. Батарея с избыточной мощностью, оснащенная точным терморегулятором, будет работать в более щадящем режиме и экономить электроэнергию, чем батарея недостаточной мощности, которая будет работать на пределе своих возможностей.
Подводя итог, можно выделить ключевые особенности, которые делают электробатареи привлекательным решением:
Электрические батареи – это удобные и гибкие отопительные приборы, преобразующие электроэнергию в тепло. Они просты в установке, обеспечивают быстрый и точный обогрев, а современные модели оснащены терморегуляторами и климат-контролем для экономии энергии. При выборе важно учитывать мощность, тип нагревателя и безопасность. Несмотря на энергопотребление, электробатареи остаются привлекательным решением для дополнительного или автономного отопления, предлагая комфорт и независимость. Правильный расчет мощности и выбор подходящей модели обеспечат эффективное и экономичное отопление вашего дома.